- Главная
- Все запчасти
- В ПОМОЩЬ ВОДИТЕЛЮ
- ДОПОЛНИТЕЛЬНОЕ ОБОРУДОВАНИЕ
- Запчасти BAW
- Запчасти CUMMINS
- Запчасти DAEWOO
- Запчасти DAYUN
- Запчасти DONG FENG
- Запчасти FAW
- Запчасти FORD
- Запчасти FOTON
- Запчасти HINO
- Запчасти HOWO/SITRAK
- Запчасти HYUNDAI
- Запчасти ISUZU
- Запчасти IVECO
- Запчасти JAC
- Запчасти MITSUBISHI FUSO CANTER
- Запчасти NAVECO
- Запчасти SHACMAN
- Запчасти Sollers
- Запчасти Weichai
- Запчасти Yuchai
- Запчасти ВАЗ
- запчасти варшавка
- Запчасти ЛЕГКОВЫЕ ИНОМАРКИ
- Запчасти на другие модели
- Запчасти УАЗ
- Китайские легковые
- МКСМ800
- ОлимпСтрой
- СЕРВИС
- Точка опоры
- Удалено
- Электрика
- Автокаталог
- Доставка
- Формы оплаты
- Акции
- Корзина
- Вакансии
- Контакты
- Новости
- Оптовикам
Навигация
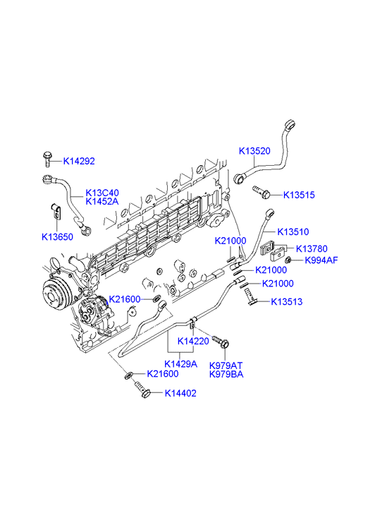
25268K11
| No | Артикул | Наименование запчасти |
|---|---|---|
| 1 | 0K85014402 | БОЛТ М6 |
| 2 | 0K85A13515 | БОЛТ М6 |
| 3 | 0K87A13513 | БОЛТ М6 |
| 4 | K997960610 | БОЛТ М6 |
| 5 | K997960810 | БОЛТ М6 |
| 6 | 0K88314292 | БОЛТ СОЕДИНИТЕЛЬНЫЙ |
| 7 | K999400800 | Гайка |
| 8 | AA80013650 | ЗАЖИМ-ШЛАНГ |
| 9 | K995621600 | КРЫЛО ЛЕВОЕ |
| 10 | 0K87T13510 | МАСЛЯНАЯ ТРУБКА |
| 11 | 0K87T14520A | МАСЛЯНАЯ ТРУБКА |
| 12 | 0KE8813520 | МАСЛЯНАЯ ТРУБКА |
| 13 | AA80013C40 | МАСЛЯНАЯ ТРУБКА |
| 14 | 0K87A14290A | МАСЛЯНЫЙ ШЛАНГ |
| 15 | K995621000 | Уплотнительное кольцо |
| 16 | 0K85013780 | ХОМУТ |
| 17 | 0K88314220 | ХОМУТ |

